Skip to content

PFF, PSF and PSS Leadform Component Packages

Published On:
Apr 1, 2026
Last Updated:
Apr 2, 2026

PFF, PSF and PSS are package names used by Allegro MicroSystems for certain through-hole integrated current sensors. Their formal names are CB-PFF, CB-PSF and CB-PSS respectively. This package features large, low-resistance leads for the sensed current path, making them suitable for sensing high currents. They all share the same body dimensions, but have differing lead styles.

Photos of the PFF, PSF and PSS leadform packages.1

The letters appear as a suffix in the ordering part number (for example devices in the ACS756 family use strings such as ...-PFF-T or ...-PSF-T2).

CodeSignal leadsPrimary (current) terminals
PFFFormed (bent)Formed (bent)
PSFFormed (bent)Straight
PSSStraightStraight

Choosing Between PFF, PSF and PSS

  • PFF — Use when you want formed leads on both the low-power signal pins and the IP+ / IP− primary path so the whole device drops into a through-hole footprint with a consistent lead style.
  • PSF — Use when you want formed signal leads for the PCB but straight primary terminals—for example to mate with a bus bar, weld, or other mechanical arrangement on the high-current path, while still using plated through-holes for VCC, GND, and output.
  • PSS — Use when you want straight leads on both the signal pins and the primary terminals. This is useful if the device is not going to be soldered onto a PCB at all, but mounted next to the high-current path and wires connected to the signal leads.

PFF Leadform

The PFF leadform package has all of it’s leads bent (both signal and current leads). It appears to be the most common package of the three. Slightly off topic, but I immediately thought of the “Licker” monster from the Resident Evil series when I saw the PFF package.

A photo of the PFF leadform package.2
A render of a “Licker” monster from the Resident Evil series. Do you see the resemblance?

Synonyms:

  • 5-CB Formed Leads, PFF: DigiKey

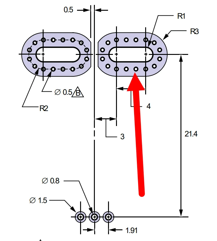
The dimensions and recommended footprint of the PFF are shown in This is a placeholder for the reference: fig-pff-leadform-dimensions.

Dimensions of the PFF leadform.2

PSF Leadform

The PSF leadform package has it’s signal leads bent, but it’s current leads are straight. This is to allow the current leads to connect to a bus bar or similar mechanical arrangement that is not necessarily part of the PCB.

A photo of the PSF leadform package.1

The dimensions and recommended footprint of the PSF are shown in This is a placeholder for the reference: fig-psf-leadform-dimensions-and-recommended-footprint.

Dimensions and recommended footprint for the PSF leadform.1

PSS Leadform

The PSS leadform package has straight leads on both the signal and current paths.

A photo of the PSS leadform package.1

The dimensions of the PSS are shown in This is a placeholder for the reference: fig-pss-leadform-package-dimensions (there is no recommended footprint since it’s not meant to be soldered to a PCB).

Dimensions for the PSS leadform.1

PCB Layout Notes

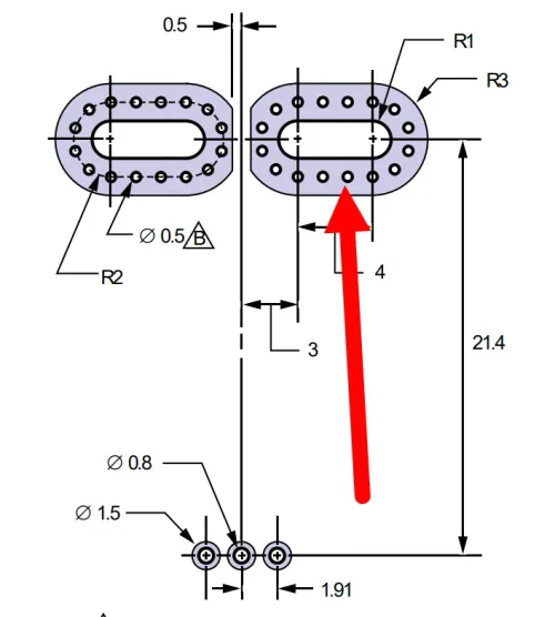
Allegro’s drawings recommend perimeter through-holes around the current lead pads as shown in This is a placeholder for the reference: fig-pff-leadform-perimeter-vias. These are presumably for mechanical integrity.2 Follow the PCB layout reference drawing in the datasheet for the package you are using.

A drawing of the PFF leadform PCB footprint highlighting the recommended perimeter vias.2

Footnotes

  1. Allegro MicroSystems. ACS758xCB - Thermally Enhanced, Fully Integrated, Hall-Effect-Based Linear Current Sensor IC with 100 µΩ Current Conductor [datasheet]. Allegro MicroSystems. Retrieved 2026-04-01, from https://www.allegromicro.com/~/media/files/datasheets/acs758-datasheet.pdf. 2 3 4 5

  2. Allegro MicroSystems. ACS756 - Fully Integrated, Hall Effect-Based Linear Current Sensor IC with 3 kVRMS Voltage Isolation and a Low-Resistance Current Conductor (ACS756-DS, Rev. 3) [datasheet]. Allegro MicroSystems. Retrieved 2026-04-01, from https://docs.rs-online.com/dad1/0900766b80d885f7.pdf. 2 3 4 5